Description
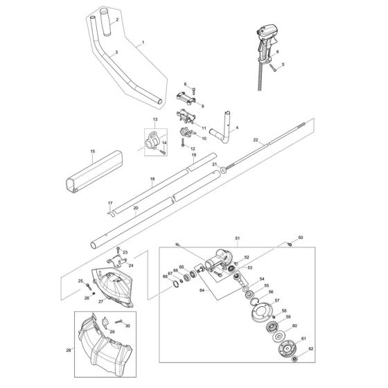
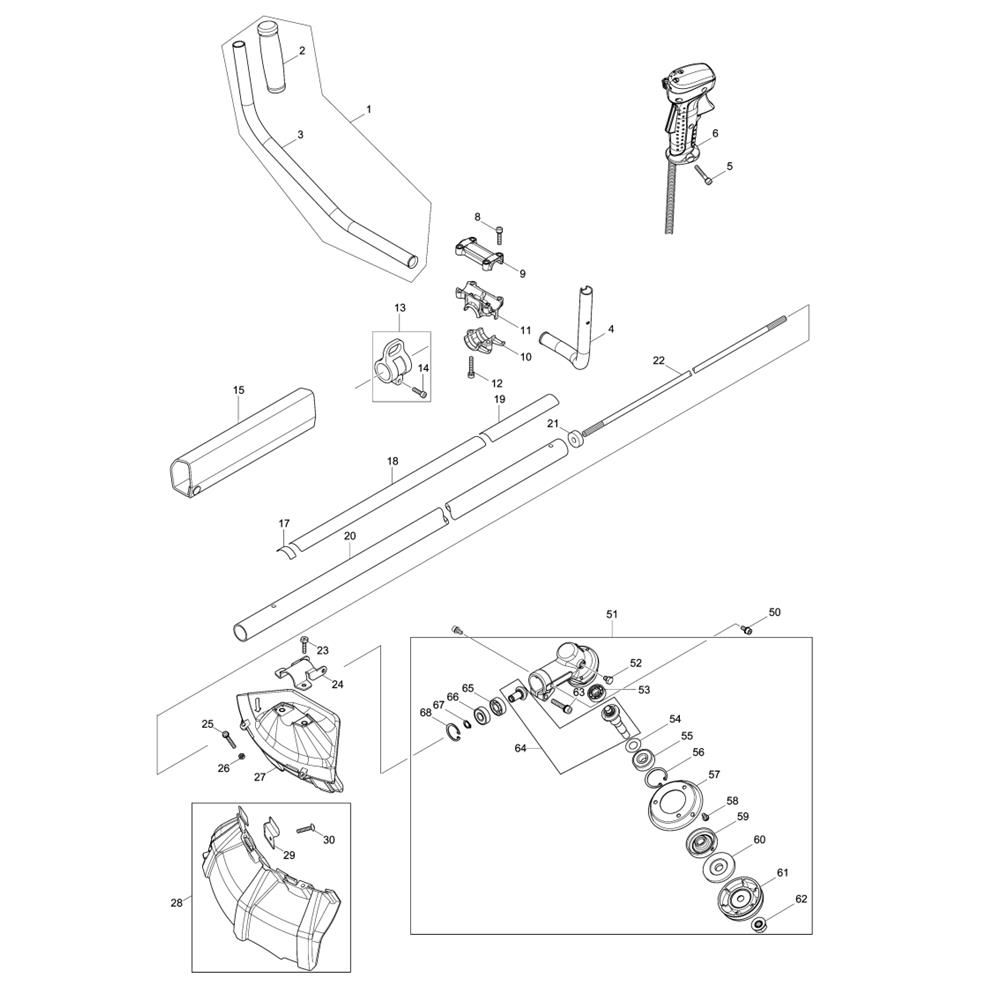
The Handle, Pipe, Shield Assembly for the Makita EM3400U Brushcutter includes essential components for optimal performance and safety. This assembly helps ensure precise control and protection during operation. Genuine Makita parts are available, including handles, pipes, and shields, to maintain the brushcutter's efficiency and durability.
Reviews
Add a review
Write Your Own Review
Ask a Question
Customer Questions

