Description
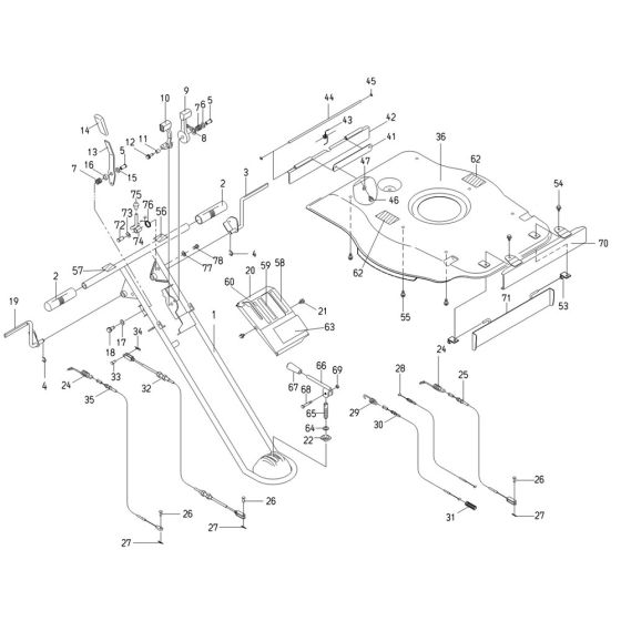
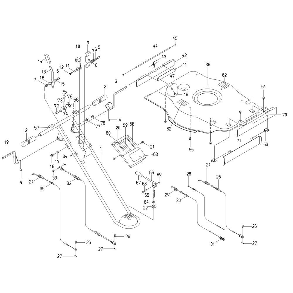
Handle, Rotary Cover Assembly for OREC FL500BC (May 2016) Mower
Genuine OREC Rotary Mower Parts
Genuine OREC Rotary Mower Parts
Reviews
Add a review
Write Your Own Review
Ask a Question
Customer Questions

