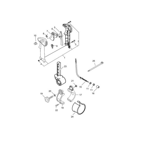
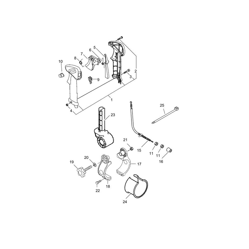
Description
The Handle and Throttle Lever for the ECHO MB-440 Duster-Mistblower is essential for precise control and operation. Designed to fit the MB-440 model, these components ensure smooth handling and effective mist blowing. Options include genuine and non-genuine parts, providing flexibility for maintenance and repair needs.
Reviews
Add a review
Write Your Own Review
Ask a Question
Customer Questions

