Description
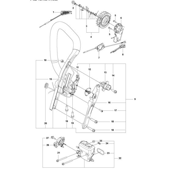
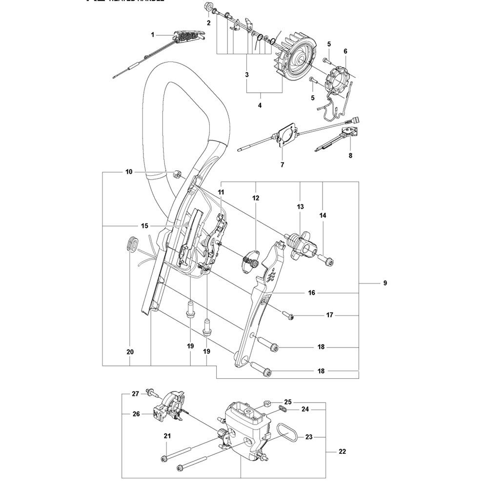
The Heated Handle Assembly for the Husqvarna 545G Mark II Chainsaw ensures comfortable operation in cold conditions. This assembly includes components such as heating elements, grips, and wiring, designed to maintain warmth and improve user control. Essential for maintaining productivity in winter months, it enhances user comfort and safety.
Reviews
Add a review
Write Your Own Review
Ask a Question
Customer Questions

