Description
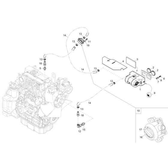
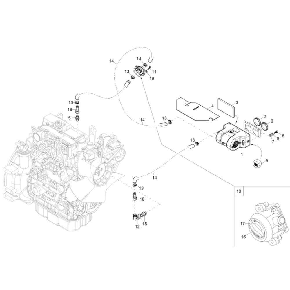
The Heating Assembly for the Wacker ET16 Mini Excavator includes essential components to ensure optimal temperature control during operation. This assembly is crucial for maintaining comfort and efficiency in colder environments. Typical components may include heating elements, ducts, and control switches, all designed to integrate seamlessly with the Wacker Neuson system.
Reviews
Add a review
Write Your Own Review
Ask a Question
Customer Questions

