Description
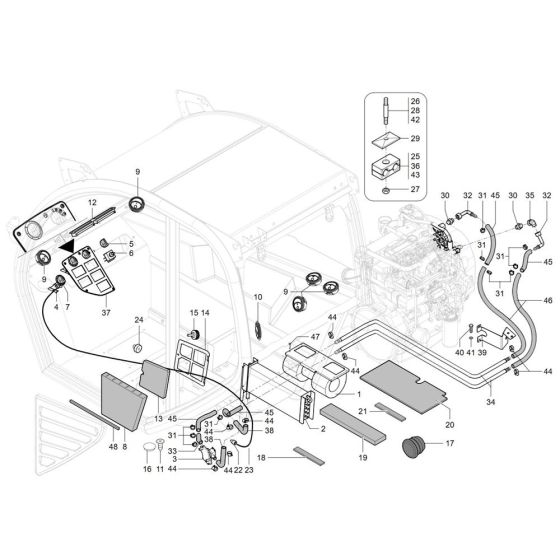
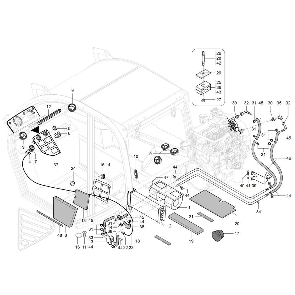
The Heating Assembly for the Wacker TH744 (416-12) Telehandler is essential for maintaining optimal cabin temperature in cold conditions. This assembly includes components such as ducts, blowers, and thermostats, ensuring efficient heat distribution and operator comfort. Genuine Wacker Neuson parts guarantee compatibility and reliability, supporting the telehandler's performance in various environments.
Reviews
Add a review
Write Your Own Review
Ask a Question
Customer Questions

