Description
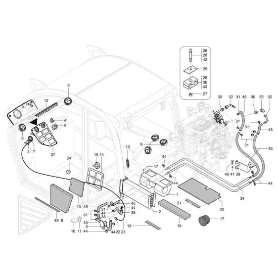
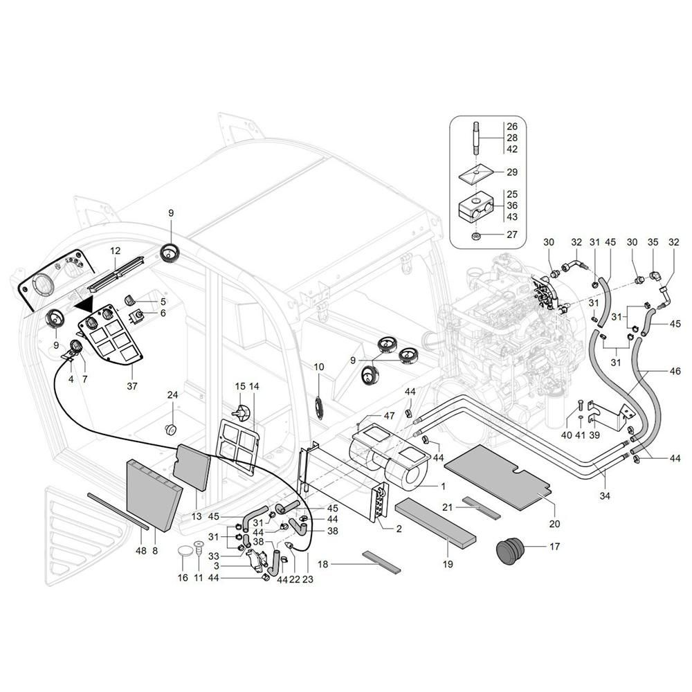
The Heating Assembly for the Wacker TH942 Telehandler ensures optimal cabin temperature control, enhancing operator comfort in various weather conditions. This assembly includes components such as blowers, ducts, and thermostats, which work together to distribute heat efficiently. Designed for the Wacker Neuson Telehandler, these parts are essential for maintaining a reliable heating system.
Reviews
Add a review
Write Your Own Review
Ask a Question
Customer Questions

