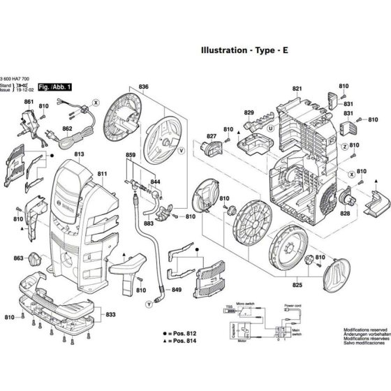
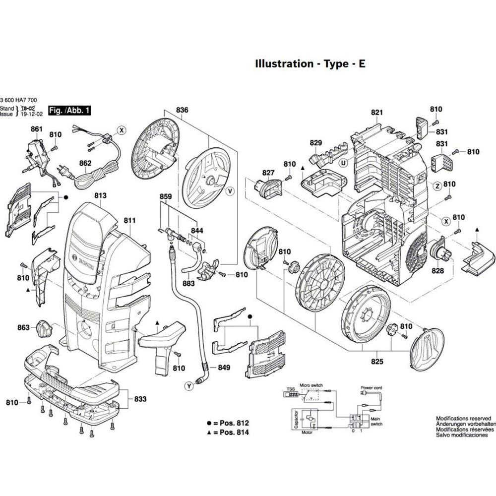
Description
The High-Pressure Washer Assembly for Bosch AdvancedAquatak 150 includes essential components to ensure optimal cleaning performance. Designed for both genuine and non-genuine parts, this assembly helps maintain the washer's efficiency and longevity. Typical components include hoses, nozzles, and connectors, providing reliable operation for various cleaning tasks.
Reviews
Add a review
Write Your Own Review
Ask a Question
Customer Questions

