
Honda GXR120UT Spare Parts
GXR120UT is more powerful than the GX100 in a lightweight compact engine. It has been developed as an ideal source of power for commercial rammers. Shop a large range of GXR120UT spare parts.
GXR120UT is more powerful than the GX100 in a lightweight compact engine. It has been developed as an ideal source of power for commercial rammers. Shop a large range of GXR120UT spare parts.
Shop by diagram
Air Cleaner for Honda GXR120UT
Camshaft Pulley for Honda
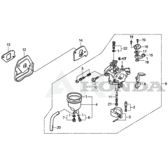
Carburettor Assembly for Honda
Control Assembly for Honda GXR120UT
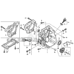
Crankcase Cover for Honda
Crankshaft for Honda GXR120UT
Cylinder Barrel for Honda GXR120UT
Fan Cover for Honda GXR120UT
Flywheel Ignition Coil
Fuel Tank for Honda GXR120UT
Labels for Honda GXR120UT
Muffler for Honda GXR120UT
Piston Connecting Rod for Honda
Recoil Starter for Honda GXR120UT
All products
-
Genuine Stop Switch (Single Wire ) for Honda GX Engines£18.04 £15.03 -
Recoil Bolt Fits Honda GX100 - 90002-Z0D-000£3.24 £2.70 -
Tank Bracket fits Honda GX100 Engine - 17566-Z0D-T02£10.72 £8.93 -
Flange Bolt 5x77 for Honda GX100 - 90004 Z0D 000£2.34 £1.95 -
Carb Seal Kit Fits Honda GHX50 GX100 - 16010-ZM7-003£15.68 £13.07 -
Choke Set Fits Honda GX100 - 16044-Z0D-003£35.26 £29.38 -
6mm Plain Washer Fits Honda GHX50 - 94101-06800£1.08 £0.90