
Honda GC160 (GCAH) Engine Parts
Spares for Honda GC160 (GCAH) Engines.

Spares for Honda GC160 (GCAH) Engines.

Shop by diagram

Recoil Starter for Honda GC160

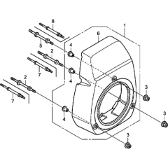
Fan Cover for Honda GC160

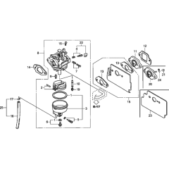
Carburettor Assembly for Honda GC160

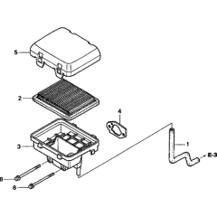
Air Cleaner for Honda GC160

Muffler Assembly for Honda GC160

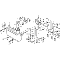
Fuel Tank & Pump Assembly

Flywheel & Ignition Coil for Honda GC160

Control Assembly for Honda GC160

Label Assembly for Honda GC160

Cylinder Barrel Assembly

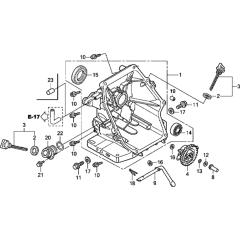
Crankcase Cover for Honda GC160

Crankshaft Assembly Honda GC160

Piston/Connecting Rod Assembly

Camshaft Pulley Assembly
All products
-
6mm Plain Washer Fits Honda GHX50 - 94101-06800£1.08 £0.90
-
Govenor Assy for Honda GHX50 - 16510 ZL8 000£11.06 £9.22
-
Clip - Genuine Honda Part - 95002-50000£1.07 £0.89