
Honda GC160A (GCAHA) Engine Parts
Spares for Honda GC160A (GCAHA) Engines.

Spares for Honda GC160A (GCAHA) Engines.

Shop by diagram

Recoil Starter for Honda GC160A

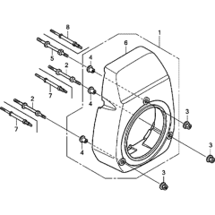
Fan Cover for Honda GC160A

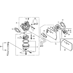
Carburettor Assembly for Honda

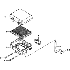
Air Cleaner for Honda GC160A

Muffler Assembly for Honda GC160A

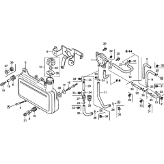
Fuel Tank & Pump Assembly

Flywheel & Ignition Coil Assembly

Control Assembly for Honda GC160A

Label Assembly for Honda GC160A

Cylinder Barrel Assembly

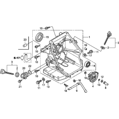
Crankcase Cover for Honda GC160A

Crankshaft Assembly for Honda GC160A

Piston/Connecting Rod Assembly

Camshaft Pulley Assembly
All products
-
6mm Plain Washer Fits Honda GHX50 - 94101-06800£1.08 £0.90
-
Govenor Assy for Honda GHX50 - 16510 ZL8 000£11.06 £9.22