
Honda GX160K1 (GDAA) Engine Parts
Spare Parts for Honda GX160K1 (GDAA) Engines.

Spare Parts for Honda GX160K1 (GDAA) Engines.

Shop by diagram

Recoil Starter for Honda GX160K1

Recoil Starter for Honda GX160K1

Fan Cover for Honda GX160K1

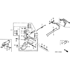
Carburetor Assembly for GX160K1

Air Cleaner for Honda GX160K1

Muffler Assembly for GX160K1

Flywheel Assembly for GX160K1

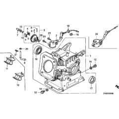
Cylinder Head Assembly

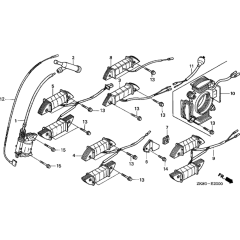
Ignition Coil for Honda GX160K1

Control Assembly for Honda GX160K1

Label Assembly for Honda GX160K1

Cylinder Barrel for Honda GX160K1

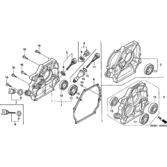
Crankcase Cover for GX160K1

Crankshaft Assembly for GX160K1

Piston Assembly for GX160K1

Camshaft Assembly for GX160K1
All products
-
Recoil Flange Bolt M6x8mm for Honda GX Engines£1.49 £1.24
-
Fuel Tank (Non Genuine) for Honda GX140 GX160 GX200£22.20 £18.50
-
Non Genuine Oil Level Sensor for Honda GX Range£11.40 £9.50