
Honda GX160UT2 (GCBPT) Engine Parts
Spare Parts for Honda GX160UT2 (GCBPT) Engines.

Spare Parts for Honda GX160UT2 (GCBPT) Engines.

Shop by diagram

Recoil Starter for Honda GX160UT2

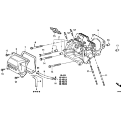
Fan Cover for Honda GX160UT2

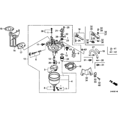
Carburetor Assembly for GX160UT2

Air Cleaner for Honda GX160UT2

Muffler Assembly for Honda GX160UT2

Fuel Tank Assembly for GX160UT2

Flywheel Assembly for Honda GX160UT2

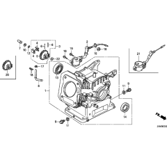
Cylinder Head Assembly for GX160UT2

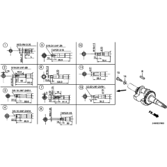
Ignition Coil for Honda GX160UT2

Control Assembly for GX160UT2

Label Assembly for Honda GX160UT2

Cylinder Barrel Assembly

Parts for Honda GX160UT2

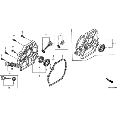
Crankcase Cover for Honda GX160UT2

Crankshaft Assembly for GX160UT2

Piston Assembly for Honda GX160UT2

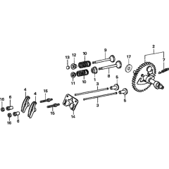
Camshaft Assembly for GX160UT2

Muffler Cover for Honda GX160UT2
All products
-
Recoil Flange Bolt M6x8mm for Honda GX Engines£1.49 £1.24
-
Cylinder Head Gasket Fits Honda GX200 - 12251-ZL0-003£13.00 £10.83