
Honda HRD535 MEM Pro Lawnmower Parts
Genuine & aftermarket spare parts for Honda HRD535 Lawnmowers.
Genuine & aftermarket spare parts for Honda HRD535 Lawnmowers.
Shop by diagram

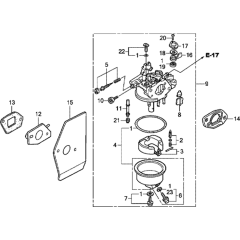
Carburetor Assembly for Honda

Cylinder Head Assembly for Honda

Speed Control Assembly for Honda

Decals for Honda HRD535 MEM

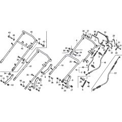
Handles Assembly for Honda HRD535

Throttle Lever & Cable Assembly

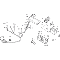
Ignition Switch & Battery Assembly

Drive Assembly for Honda HRD535

Shaft/Joint Assembly for Honda

Rear Roller & Height Adjuster

Engine Block Assembly for Honda HRD535

Wheels & Height Adjuster

Cutter Deck for Honda HRD535

Blade and Clutch Assembly

Grass Bag and Frame Assembly

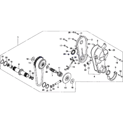
Piston, Rod & Crankshaft Assembly

Cam Shaft & Valves for Honda HRD535
