
Honda HRD535 QME Pro Lawnmower Parts
Genuine & aftermarket spare parts for Honda HRD535 QME Lawnmowers - MZBM 8000001-8099999
Genuine & aftermarket spare parts for Honda HRD535 QME Lawnmowers - MZBM 8000001-8099999
Shop by diagram

Honda HRD535 - QME Label

Grass Bag for Honda HRD535

Rotary Blade for Honda HRD535

Cutter Housing for Honda HRD535

Front Wheel for Honda HRD535

Rear Roller for Honda HRD535

Joint for Honda HRD535

Transmission for Honda HRD535

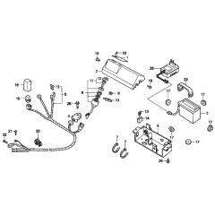
Control Panel for Honda HRD535

Throttle Lever for Honda HRD535

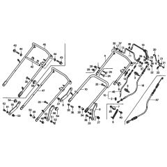
Handle Pipe for Honda HRD535

Control for Honda HRD535

Starter Motor for Honda HRD535

Flywheel for Honda HRD535

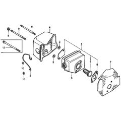
Muffler for Honda HRD535

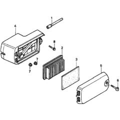
Air Cleaner for Honda HRD535

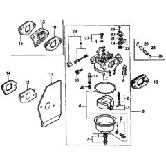
Carburetor for Honda HRD535

Fan Cover for Honda HRD535

Recoil Starter for Honda HRD535

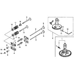
Camshaft for Honda HRD535

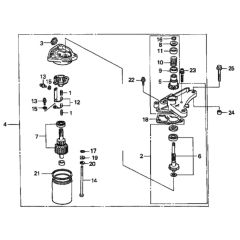
Piston/Crankshaft for Honda HRD535

Cylinder Barrel/Oil Pan for Honda
