
Honda HRD536C2 TXE Pro Lawnmower Parts
Genuine & aftermarket spare parts for Honda HRD536C2 TXE Lawnmowers - MZCA 8200001-9999999
Genuine & aftermarket spare parts for Honda HRD536C2 TXE Lawnmowers - MZCA 8200001-9999999
Shop by diagram

Honda HRD536C2 Label

Grass Bag/Tool for Honda HRD536C2

Rotary Blade for Honda HRD536C2

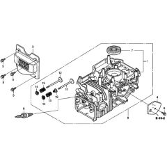
Cutter Housing for Honda Mower

Front Wheel for Honda HRD536C2

Rear Wheel for Honda HRD536C2

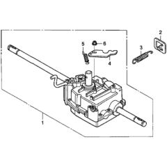
Transmission for Honda HRD536C2

Throttle Lever for Honda HRD536C2

Handle Pipe for Honda HRD536C2

Label for Honda HRD536C2

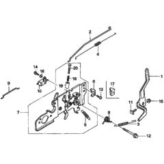
Control for Honda HRD536C2

Flywheel for Honda HRD536C2

Muffler for Honda HRD536C2

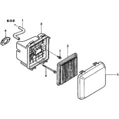
Air Cleaner for Honda HRD536C2

Carburetor for Honda HRD536C2

Fan Cover for Honda HRD536C2

Recoil Starter for Honda HRD536C2

Camshaft Pulley for Honda Mower

Piston/Crankshaft for Honda HRD536C2

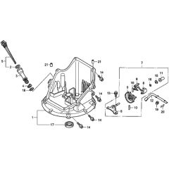
Crankcase Cover for Honda HRD536C2
