Honda HRD536K4 QXEH Pro Lawnmower Parts
Spares for Honda HRD536K4 QXEH Pushed Lawnmowers - MZBL 8300001-
Spares for Honda HRD536K4 QXEH Pushed Lawnmowers - MZBL 8300001-
Shop by diagram

Transmission HST Assembly

Transmission Assembly for Honda

Throttle Lever Assembly

Blade Assembly for Honda Mower

Recoil Starter for Honda Mower

Rear Roller Assembly for Honda

Muffler Assembly for Honda Mower

Joint Assembly for Honda Mower

Handle Assembly for Honda Mower

Grass Catcher Assembly for Honda

Fuel Tank Assembly for Honda

Front Wheel Assembly for Honda

Flywheel Assembly for Honda Mower

Fan Cover Assembly for Honda Mower

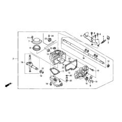
Cylinder Head Assembly for Honda

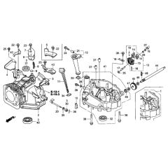
Cylinder Barrel & Oil Pan

Cutter Housing for Honda Mower

Crankshaft, Piston Assembly

Control Assembly for Honda Mower

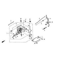
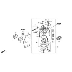
Carburettor Assembly for Honda Mower

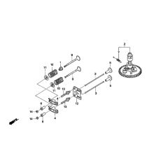
Camshaft Assembly for Honda Mower

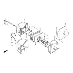
Air Cleaner for Honda HRD536K4
All products
-
Recoil Flange Bolt M6x8mm for Honda GX Engines£1.49 £1.24
-
Clutch Spring For Honda HRD536 HRH536 QXE Mowers£13.08 £10.90