Description
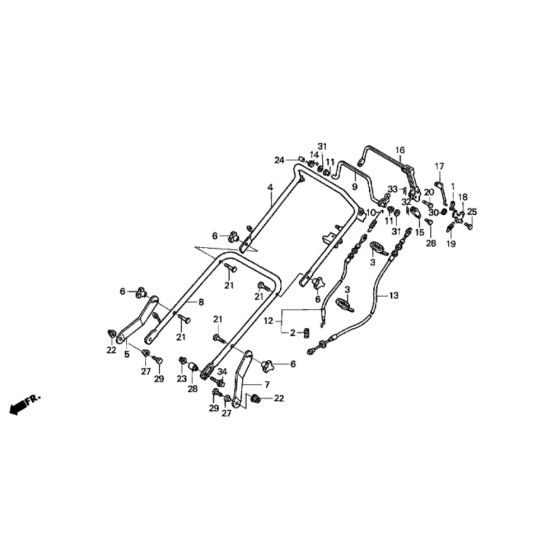
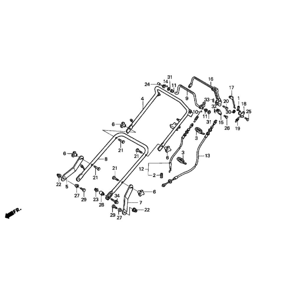
The Handle Assembly for the Honda HRD536K4 QXEH Mower is designed to provide comfort and control during operation. This assembly includes components such as grips, levers, and brackets, ensuring a secure and ergonomic handling experience. Genuine Honda parts ensure compatibility and durability, maintaining the mower's performance and reliability.
Reviews
Add a review
Write Your Own Review
Ask a Question
Customer Questions

