Description
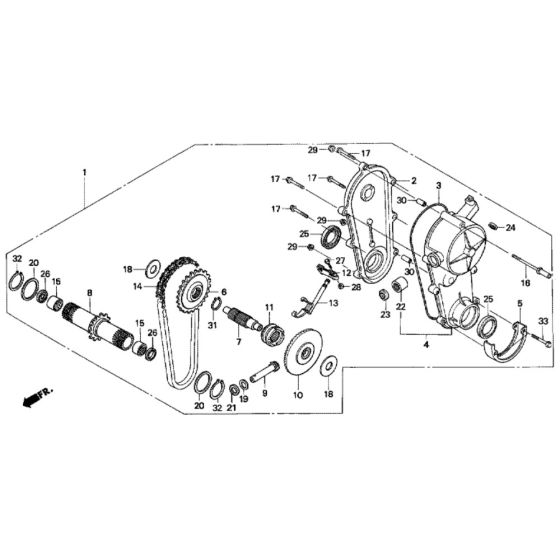
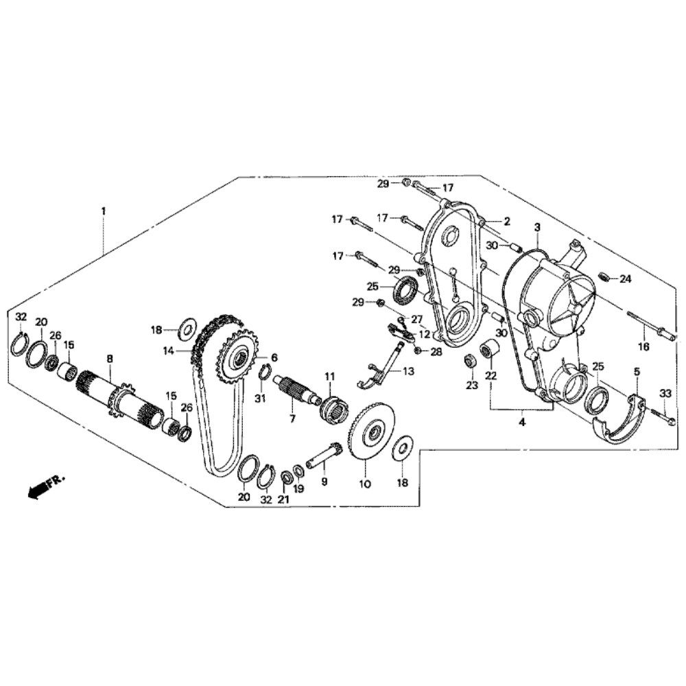
The Transmission Assembly for the Honda HRD536K4 QXEH Mower is designed to ensure smooth and efficient power transfer from the engine to the wheels. This assembly includes key components such as gears, shafts, and bearings, which work together to provide reliable operation and optimal performance. Genuine Honda parts ensure compatibility and longevity.
Reviews
Add a review
Write Your Own Review
Ask a Question
Customer Questions

