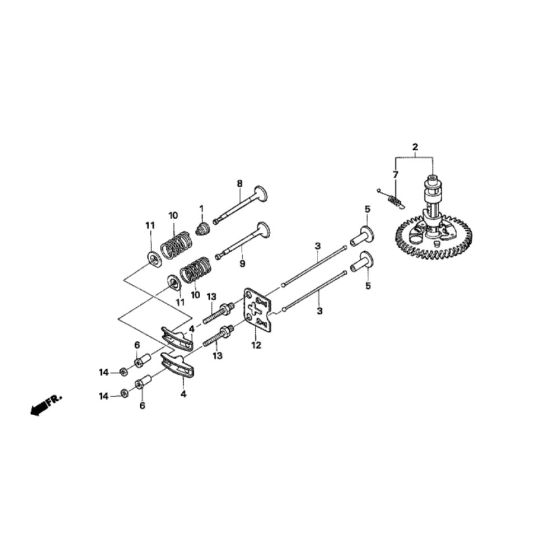
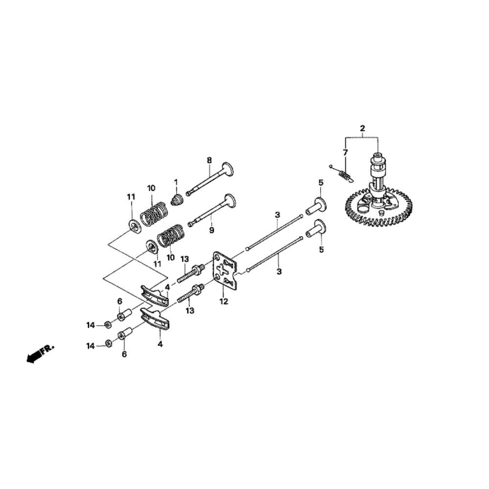
Description
The Camshaft Assembly for the Honda HRD536K4 QXEH Mower is designed to ensure optimal engine performance and longevity. This assembly includes key components such as the camshaft, gears, and seals, which work together to regulate the timing of the engine's valves. Genuine Honda parts provide reliability and durability, essential for maintaining your mower's efficiency.
Reviews
Add a review
Write Your Own Review
Ask a Question
Customer Questions

