
Honda HRG465C2 PDEE (Izy) Mower Parts
Spares for Honda HRG465C2 PDEE (Izy) Pushed Lawnmowers - MADF 1100001-1211768
Spares for Honda HRG465C2 PDEE (Izy) Pushed Lawnmowers - MADF 1100001-1211768
Shop by diagram

Honda HRG465C2 Label

Grass Bag/Tool for Honda HRG465C2

Rotary Blade for Honda HRG465C2

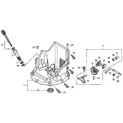
Cutter Housing for Honda HRG465C2

Front Wheel for Honda HRG465C2

Rear Wheel for Honda HRG465C2

Handle Pipe for Honda HRG465C2

Honda HRG465C2 Mower Label

Control for Honda HRG465C2

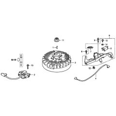
Flywheel/Ignition Coil for Honda

Muffler for Honda HRG465C2

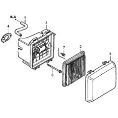
Air Cleaner for Honda HRG465C2

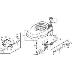
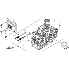
Carburetor for Honda HRG465C2

Fan Cover for Honda HRG465C2

Recoil Starter for Honda HRG465C2

Camshaft Pulley for Honda HRG465C2

Piston/Connecting Rod for Honda

Crankshaft for Honda HRG465C2

Oil Pan for Honda HRG465C2

Cylinder Barrel for Honda HRG465C2
All products
-
Honda 4-Stroke Engine Oil 10W30, 600ml - 08221-888-061HE£12.90 £10.75
-
6mm Plain Washer Fits Honda GHX50 - 94101-06800£1.08 £0.90