
Honda HRX426 RXE Mower Parts
Spares for Honda HRX426 RXE Lawn Mowers.
Spares for Honda HRX426 RXE Lawn Mowers.
Shop by diagram

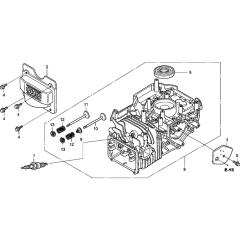
Cylinder & Barrel Assembly

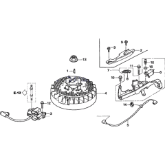
Flywheel & Ignition for Honda HRX426

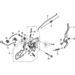
Speed Control Assembly for Honda

Label Decal Assembly for Honda

Handle and Cable Assembly

Handle and Cable Assembly

Roto Stop Control for Honda HRX426

Throttle Lever Assembly

Rear Roller Assembly for Honda HRX426

Front Wheel Assembly for Honda

Cutter Housing for Honda HRX426

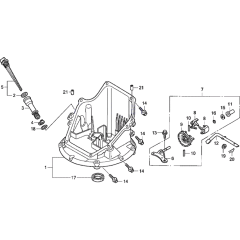
Oil Pan Assembly for Honda HRX426

Rotary Blade Assembly for Honda

Grass Bag Assembly for Honda

Crankshaft & Piston for Honda HRX426

Camshaft Pulley & Belt Assembly

Recoil Starter for Honda HRX426

Fan Cover & Fuel Tank Assembly

Carburetor Assembly for Honda

Air Filter Assembly for Honda HRX426

Muffler Assembly for Honda HRX426
All products
-
Carburettor Fits Honda GCV160 - 16100-Z0L-023£96.96 £80.80
-
Blade for Honda HRX 426 Mower - OEM No. 72511 VK7 000£40.02 £33.35