Honda HRX426C PDE Mower Parts
Spares for Honda HRX426C PDE Lawnmowers - MATF 1000001-
Spares for Honda HRX426C PDE Lawnmowers - MATF 1000001-
Shop by diagram

Mulching Kit for Honda HRX426C

Honda HRX426C Label

Grass Bag for Honda HRX426C

Rotary Blade for Honda HRX426C

Cutter Housing for Honda HRX426C

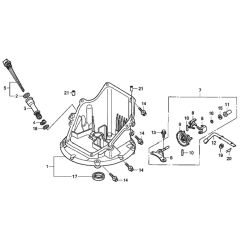
Front Wheel for Honda HRX426C

Rear Wheel for Honda HRX426C

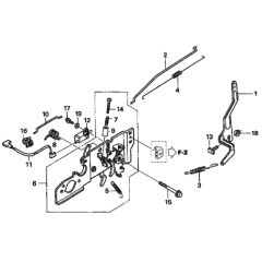
Roto Stop Control for Honda

Throttle Lever for Honda HRX426C

Handle Pipe 2 for Honda HRX426C

Handle Pipe for Honda HRX426C

Honda HRX426C Label

Control for Honda HRX426C

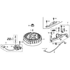
Flywheel for Honda HRX426C

Muffler for Honda HRX426C

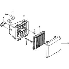
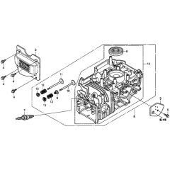
Air Cleaner for Honda HRX426C

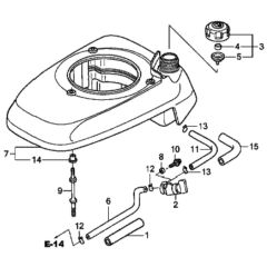
Carburettor for Honda HRX426C

Fan Cover for Honda HRX426C

Recoil Starter for Honda HRX426C

Camshaft Pulley for Honda

Piston for Honda HRX426C

Crankshaft for Honda HRX426C

Oil Pan for Honda HRX426C

Cylinder Barrel for Honda HRX426C
All products
-
Carburettor Fits Honda GCV160 - 16100-Z0L-023£96.96 £80.80
-
Blade for Honda HRX 426 Mower - OEM No. 72511 VK7 000£40.02 £33.35
-
6mm Plain Washer Fits Honda GHX50 - 94101-06800£1.08 £0.90