Honda HRX476C1 VYEE Mower Parts
Spares for Honda HRX476C1 VYEE Lawnmowers - MASF 1130001-
Spares for Honda HRX476C1 VYEE Lawnmowers - MASF 1130001-
Shop by diagram

Label for Honda HRX476C1

Grass Bag for Honda HRX476C1

Rotary Blade for Honda HRX476C1

Shutter for Honda HRX476C1

Cutter Housing for Honda HRX476C1

Front Wheel for Honda HRX476C1

Rear Wheel for Honda HRX476C1

Transmission for Honda HRX476C1

Throttle Lever for Honda HRX476C1

Throttle Lever for Honda HRX476C1

Handle Pipe for Honda HRX476C1

Handle Pipe for Honda HRX476C1

Honda HRX476C1 Label

Control for Honda HRX476C1

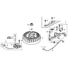
Flywheel for Honda HRX476C1

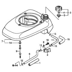
Muffler for Honda HRX476C1

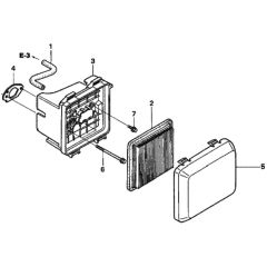
Air Cleaner for Honda HRX476C1

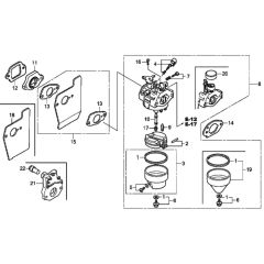
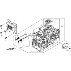
Carburettor for Honda HRX476C1

Fan Cover for Honda HRX476C1

Recoil Starter for Honda HRX476C1

Camshaft Pulley for Honda

Piston for Honda HRX476C1

Crankshaft for Honda HRX476C1

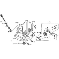
Oil Pan for Honda HRX476C1

Cylinder Barrel for Honda HRX476C1
All products
-
6mm Plain Washer Fits Honda GHX50 - 94101-06800£1.08 £0.90