Description
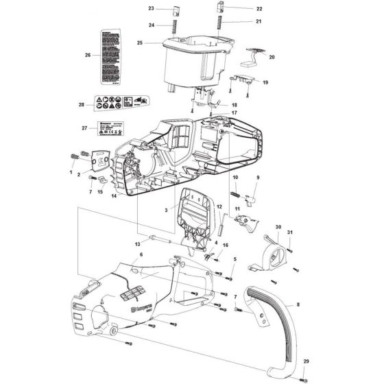
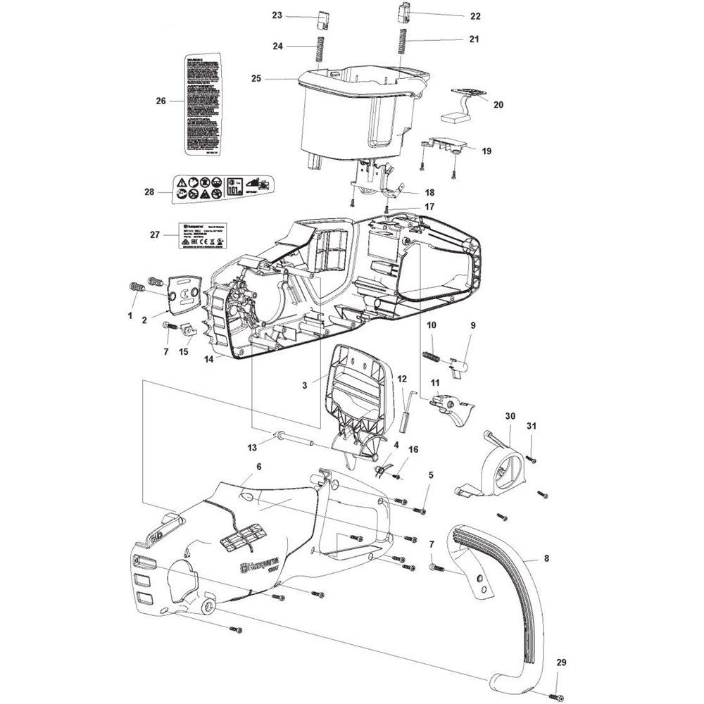
The Housing Assembly for the Husqvarna 136Li Chainsaw is designed to protect and support the internal components of the battery chainsaw. This genuine Husqvarna part ensures the structural integrity and safety of the machine during operation. It includes various components such as covers, fasteners, and protective casings, all essential for maintaining the chainsaw's performance and durability.
Reviews
Add a review
Write Your Own Review
Ask a Question
Customer Questions

