Description
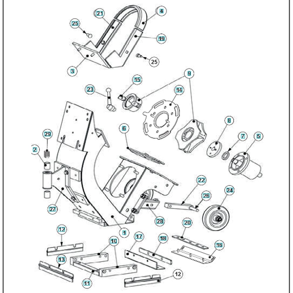
The Housing Assembly for the Husqvarna BLASTRAC 1-8DPS30 Concrete Shot Blaster is designed to ensure optimal performance and longevity. This assembly includes essential components such as casings, seals, and fasteners, which are crucial for maintaining the integrity and efficiency of the shot blaster. Genuine Husqvarna parts guarantee compatibility and reliability.
Reviews
Add a review
Write Your Own Review
Ask a Question
Customer Questions

