Description
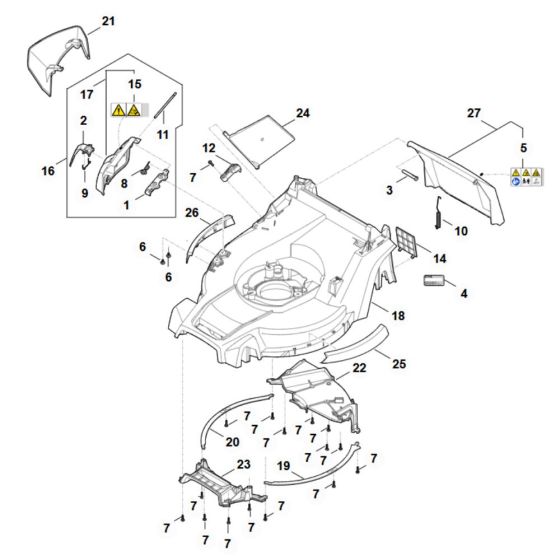
The Housing Assembly for the Stihl RM 448.3 V Lawn Mower is a crucial component designed to protect and support the mower's internal mechanisms. This genuine Stihl part ensures optimal performance by housing essential elements such as the engine, blades, and drive system. Regular maintenance and replacement of the housing can help extend the mower's lifespan and efficiency.
Reviews
Add a review
Write Your Own Review
Ask a Question
Customer Questions

