Description
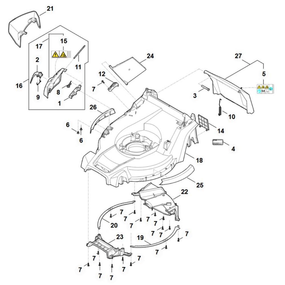
The Housing Assembly for the Stihl RMA 443.3 PV Lawn Mower is a genuine Stihl part designed to ensure optimal performance and durability. This assembly includes components such as the casing, fasteners, and protective covers, which are essential for safeguarding the mower's internal mechanisms. It helps maintain the mower's efficiency and longevity by providing robust protection against environmental elements.
Reviews
Add a review
Write Your Own Review
Ask a Question
Customer Questions

