
Husqvarna 325 LDx Trimmers/Edgers
Spares for Husqvarna 325 LDx Trimmer/Edgers
Spares for Husqvarna 325 LDx Trimmer/Edgers
Shop by diagram

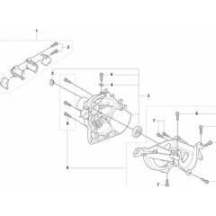
Bevel Gear for Husqvarna 325 LDx

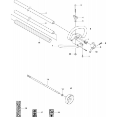
Shaft & Handle for Husqvarna 325 LDx

Shaft & Handle for Husqvarna

Handle & Controls for Husqvarna 325 LDx

Cover for Husqvarna 325 LDx

Carburetor & Air Filter for Husqvarna

Starter for Husqvarna 325 LDx

Starter-1 for Husqvarna 325 LDx

Fuel Tank for Husqvarna 325 LDx

Ignition System & Clutch

Cylinder, Piston & Muffler

Crankcase & Clutchdrum

Crankshaft for Husqvarna 325 LDx

Husqvarna 325 LDx Guards

Carburetor for Husqvarna 325 LDx

Husqvarna 325 LDx Accessories

Harness for Husqvarna 325 LDx
All products
-
Knob - Genuine Husqvarna Part - 537 13 04-02£5.48 £4.57