
Husqvarna CT 48 Trowel Parts
Shop by diagram

Lower Handle Assembly

Adjustable Pro-Shift Handle

Handle Assembly for CT 48 Trowel

Handle Assembly for CT 48 Trowel

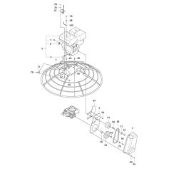
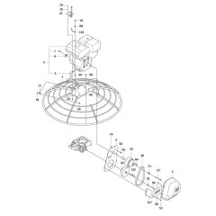
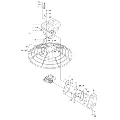
Gearbox Assembly for CT 48

Drive Assembly for CT 48 Trowel

Drive Assembly for CT 48 Trowel

Drive Assembly for CT 48 Trowel

Drive Assembly for CT 48 Trowel

Decals for Husqvarna CT 48

Decals for Husqvarna CT 48

Blade Assembly for CT 48 Trowel
All products
-
Washer - Genuine Husqvarna Part - 734 11 54-41£2.48 £2.07
-
Screw - Genuine Husqvarna Part - 585 97 28-01£3.20 £2.67
-
Screw - Genuine Husqvarna Part - 585 97 54-01£3.98 £3.32
-
Screw - Genuine Husqvarna Part - 725 52 93-01£1.78 £1.48
-
Decal for Husqvarna CT 48 Trowel - OEM No. 599 23 40-01£15.74 £13.12
-
Decal for Husqvarna CT 48 Trowel - OEM No. 599 23 41-01£15.44 £12.87
-
Decal for Husqvarna CT 48 Trowel - OEM No. 599 23 42-01£14.02 £11.68
-
Decal for Husqvarna CT 48 Trowel - OEM No. 599 23 45-01£15.44 £12.87