Description
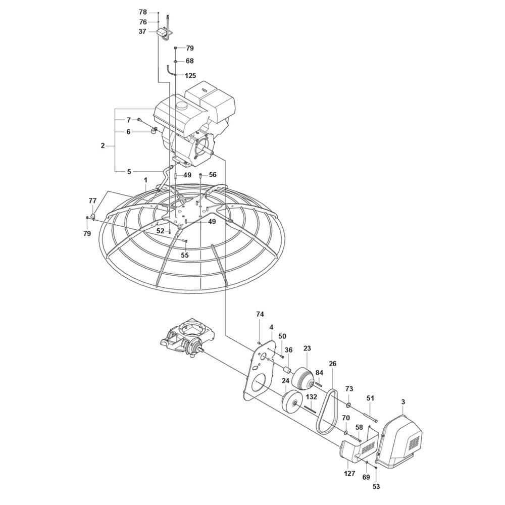
The Drive Assembly for the Husqvarna CT 48 Trowel is essential for maintaining optimal performance in concrete finishing tasks. This assembly includes key components such as belts, pulleys, and gears, ensuring smooth operation and efficient power transfer. Designed for durability and reliability, it supports the trowel's function in achieving a high-quality finish on concrete surfaces.
Reviews
Add a review
Write Your Own Review
Ask a Question
Customer Questions

