
Husqvarna JET 50 R Consumer Lawn Mower Parts
Spare Parts for Husqvarna JET 50 R Consumer Lawn Mowers. Genuine and Non Genuine Parts Available.
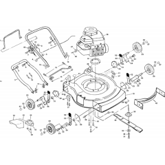
Spare Parts for Husqvarna JET 50 R Consumer Lawn Mowers. Genuine and Non Genuine Parts Available.
Shop by diagram
All products
-
Washer - Genuine Husqvarna Part - 532 06 23-35£2.80 £2.33 -
Nut - Genuine Husqvarna Part - 532 06 91-80£1.79 £1.49 -
Knob - Genuine Husqvarna Part - 532 08 78-77£4.54 £3.78 -
Bolt - Genuine Husqvarna Part - 532 85 09-99£6.40 £5.33