
Husqvarna JET 51 Consumer Lawn Mower Parts
Spare Parts for Husqvarna JET 51 Consumer Lawn Mowers. Genuine and Non Genuine Parts Available.
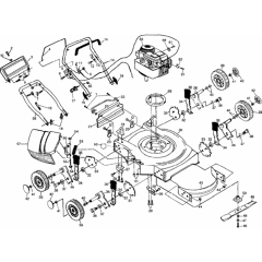
Spare Parts for Husqvarna JET 51 Consumer Lawn Mowers. Genuine and Non Genuine Parts Available.
Shop by diagram
All products
-
Washer - Genuine Husqvarna Part - 532 06 23-35£2.80 £2.33 -
Nut - Genuine Husqvarna Part - 532 06 91-80£1.79 £1.49 -
Bolt - Genuine Husqvarna Part - 532 85 09-99£6.40 £5.33