
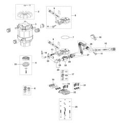
Husqvarna PW 370 Pressure Washer Parts
Wide Range of Genuine and Non-Genuine Spare Parts for Husqvarna PW 370 Pressure Washers.
Wide Range of Genuine and Non-Genuine Spare Parts for Husqvarna PW 370 Pressure Washers.
Shop by diagram
All products
-
O-Ring - Genuine Husqvarna Part - 503 26 30-26£1.68 £1.40 -
Collar - Genuine Husqvarna Part - OEM No. 592 61 77-06£29.70 £24.75