Description
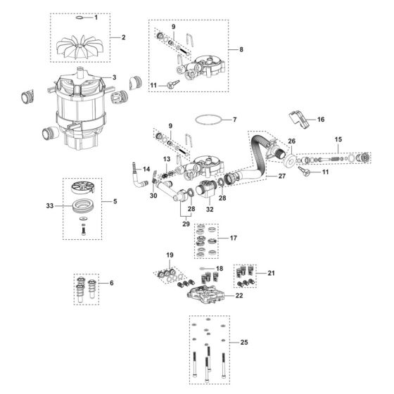
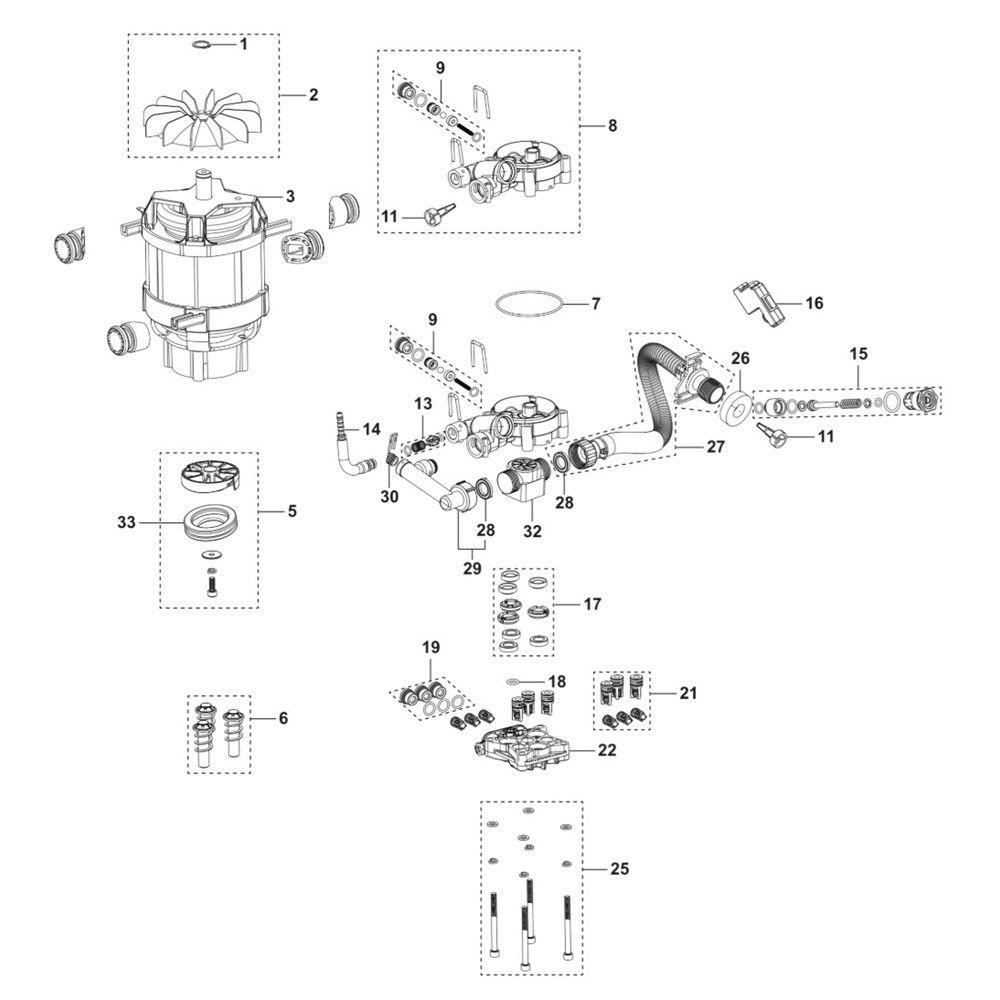
The Pump Assembly for the Husqvarna PW 370 Pressure Washer is designed to ensure optimal performance and longevity. This assembly includes key components such as seals, valves, and pistons, which work together to maintain high pressure and efficient water flow. Essential for routine maintenance, it helps protect the washer from wear and tear, ensuring reliable operation.
Reviews
Add a review
Write Your Own Review
Ask a Question
Customer Questions

