
Husqvarna R112 C Rider Parts
Spares for Husqvarna R112 C Riders
Spares for Husqvarna R112 C Riders
Shop by diagram

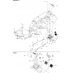
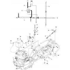
Controls Assembly for R112 C

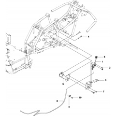
Transmission Assembly for R112 C

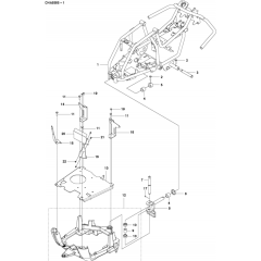
Chassis Rear Assembly

Cover Assembly for R112 C

Steering Assembly for R112 C

Controls Assembly for R112 C

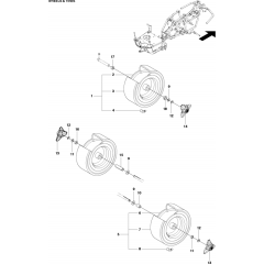
Wheels and Tyres Assembly

Chassis Rear Assembly

Cover Assembly-2 for R112 C

Electrical Assembly for R112 C

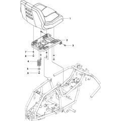
Seat Assembly for R112 C

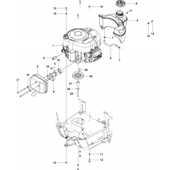
Engine Assembly for R112 C

Decals for Husqvarna R112 C

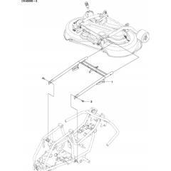
Mower Lift/Deck Lift Assembly

Mower Deck Assembly

Mower Deck Assembly
All products
-
Belt for Husqvarna R112C Riders - OEM No. 589 56 22 01£32.30 £26.92