
Husqvarna R13 C5 Rider Parts
Spares for Husqvarna R13 C5 Riders
Spares for Husqvarna R13 C5 Riders
Shop by diagram

Seat Assembly for Husqvarna R13

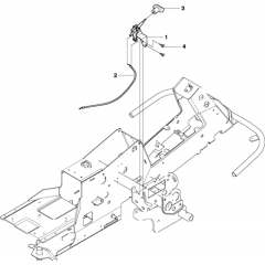
Fuel System Assembly

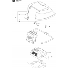
Cover Assembly for R13 C5 Riders

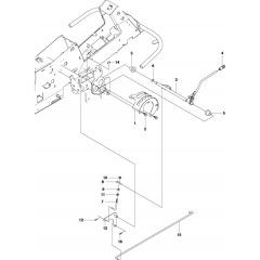
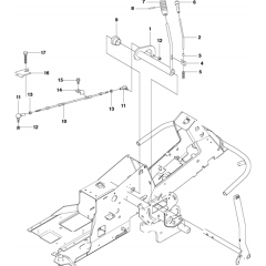
Height Adjustment for Husqvarna R13

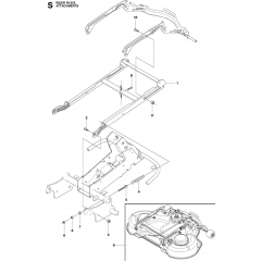
Mower Lift Assembly

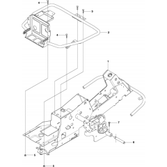
Chassis & Enclosures for R13 C5

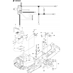
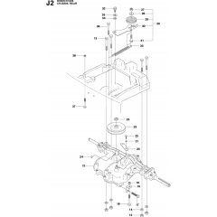
Transmission Assembly for R13 C5

Engine Assembly for R13 C5

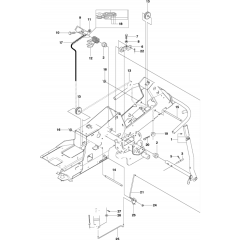
Chassis Rear Assembly

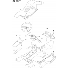
Steering Assembly for R13 C5

Controls Assembly for R13 C5

Controls Assembly-2 for R13 C5

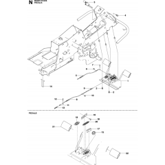
Pedals Assembly for R13 C5

Electrical Assembly for R13 C5

Wheels and Tyres for Husqvarna R13 C5

Decals for Husqvarna R13 C5

Husqvarna R13 C5 Attachments

Mower Deck Assembly

Cover Assembly for Husqvarna R13

Cover Assembly for Husqvarna R13 C5

Chassis Rear Assembly

Mower Deck for Husqvarna R13 C5
All products
-
Rod for Husqvarna RIDER 15 T Mower - 506 90 82-01£10.84 £9.03
-
Fuel Tank - Genuine Husqvarna Part - 535 50 13-01£91.34 £76.12