Description
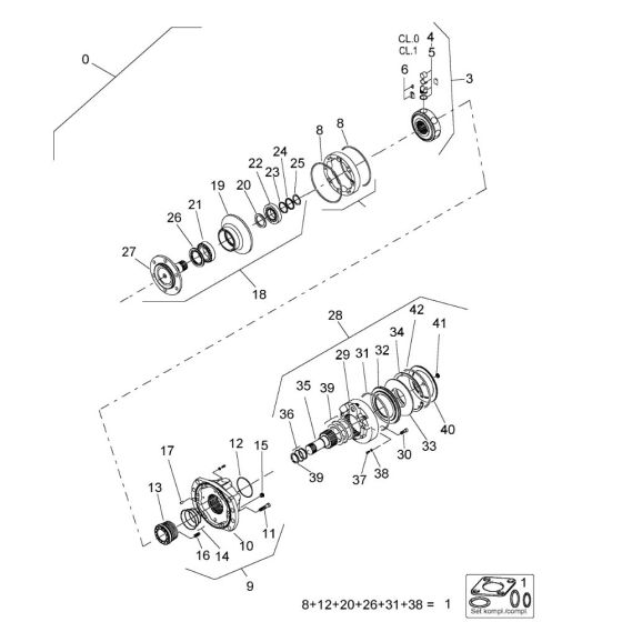
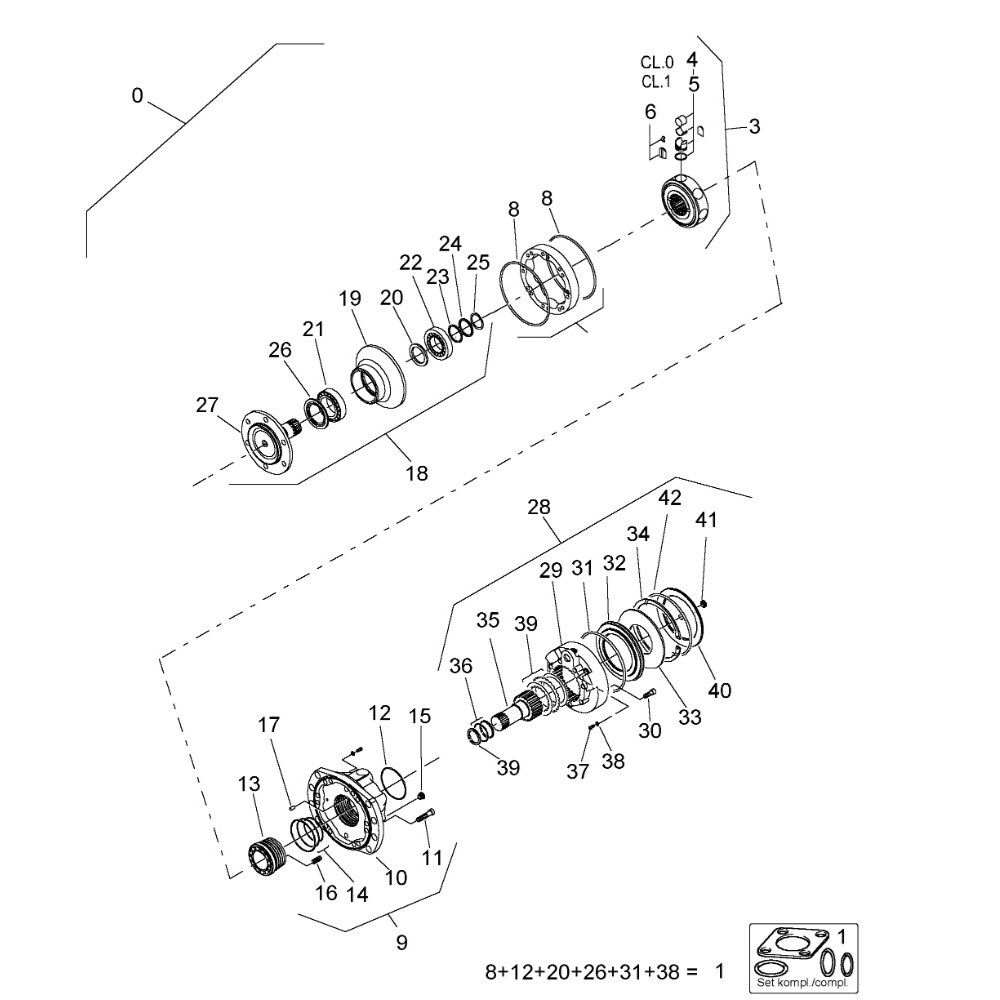
The Hydraulic Motor Travel System Assembly for the Bomag BW80 ADS Roller is designed to ensure efficient movement and operation. This assembly includes key components such as motors, pumps, and valves, which work together to provide smooth and reliable travel. Essential for maintaining the performance of your Bomag roller, these parts help in reducing wear and extending the machine's lifespan.
Reviews
Add a review
Write Your Own Review
Ask a Question
Customer Questions

