Description
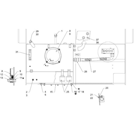
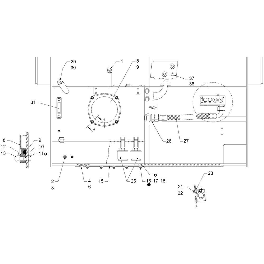
The Hydraulic Oil Tank Assembly for Hamm HD90 (H245) Rollers is designed to ensure optimal hydraulic fluid storage and distribution. This assembly plays a crucial role in maintaining the roller's hydraulic system efficiency. It includes components such as tanks, valves, and seals, which are essential for preventing leaks and ensuring smooth operation. Genuine Hamm parts guarantee compatibility and reliability.
Reviews
Add a review
Write Your Own Review
Ask a Question
Customer Questions

