Description
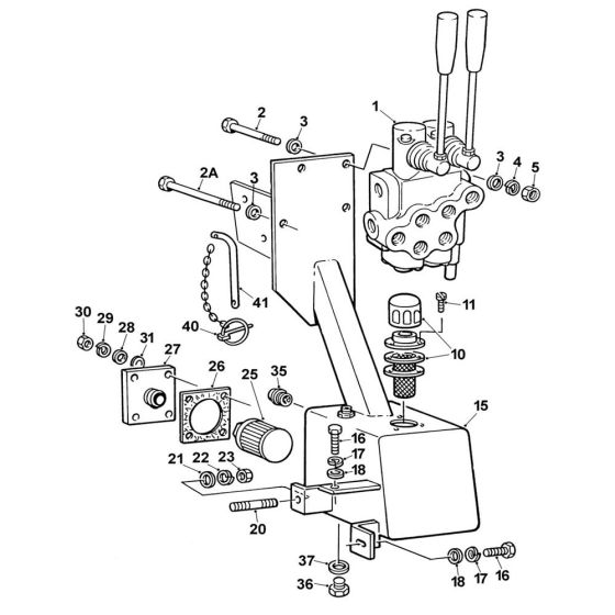
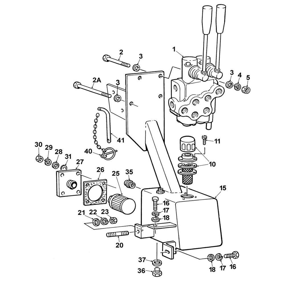
The Hydraulic Tank Assembly for the Winget TD500HL Dumper is crucial for maintaining hydraulic fluid levels and ensuring efficient operation. This assembly includes components like tanks, hoses, and fittings, designed to support the dumper's hydraulic system. Genuine Winget parts ensure compatibility and reliability, helping to extend the lifespan of your machinery.
Reviews
Add a review
Write Your Own Review
Ask a Question
Customer Questions

