Description
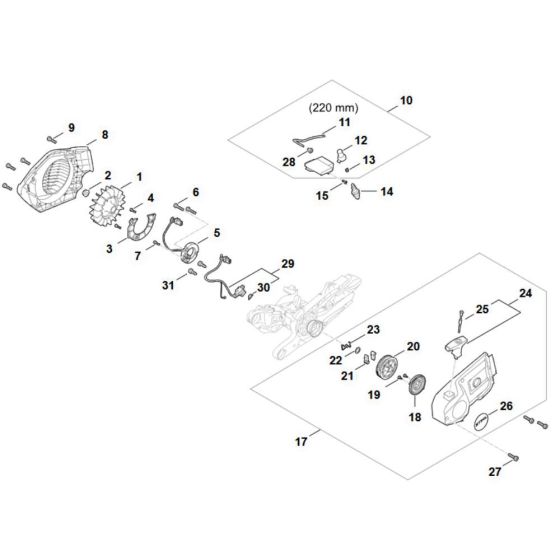
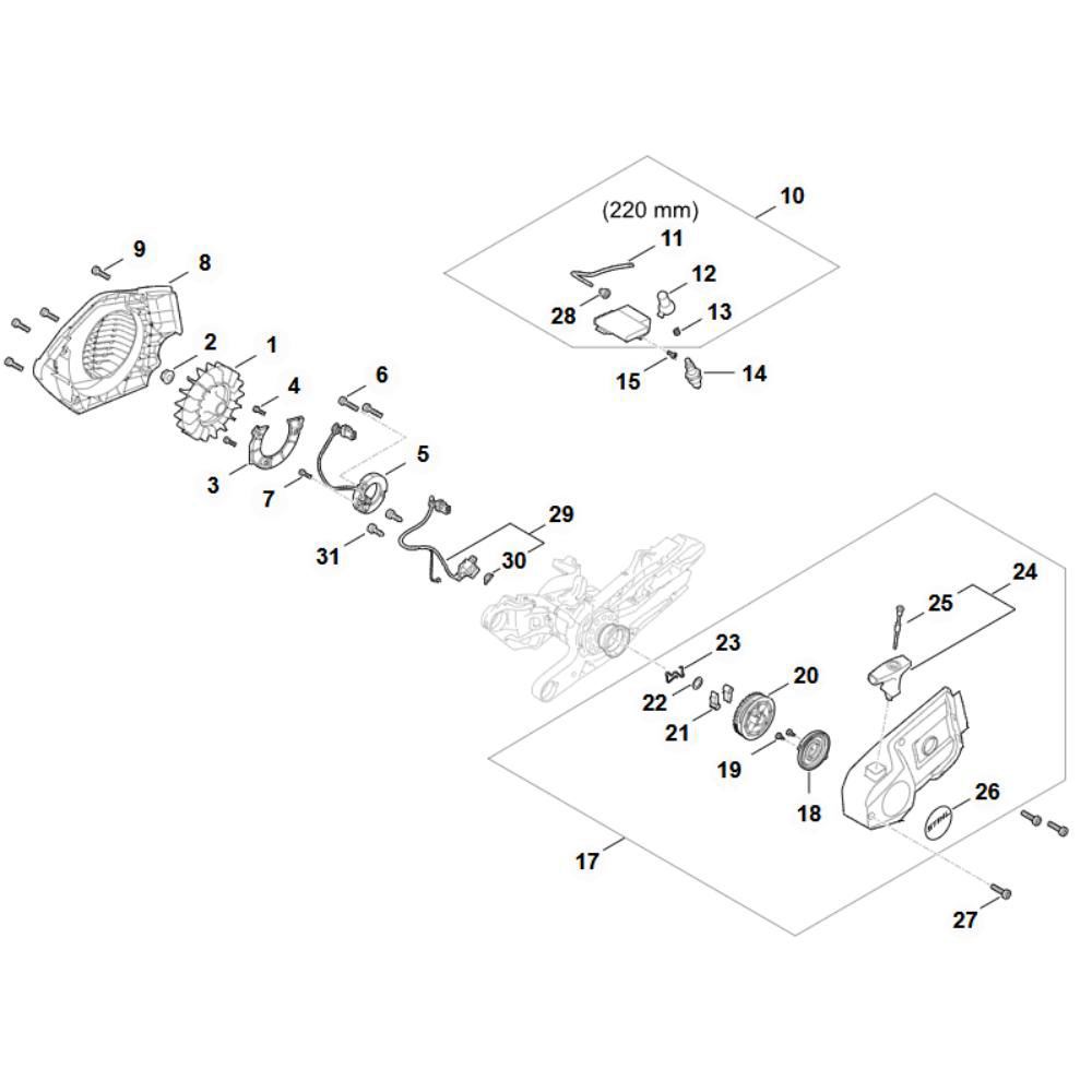
The Ignition System Assembly for Stihl TS 710i Disc Cutters is a crucial component for ensuring reliable engine start and performance. This genuine Stihl part includes key elements such as ignition coils, spark plugs, and wiring, designed to deliver consistent spark and efficient combustion. Essential for maintaining the cutter's operational efficiency, it supports regular maintenance and repair needs.
Reviews
Add a review
Write Your Own Review
Ask a Question
Customer Questions

