Description
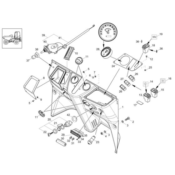
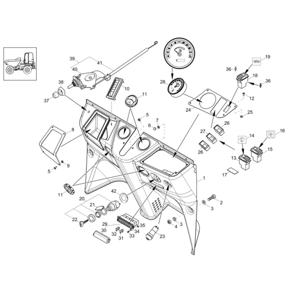
The Instrument Panel Assembly for the Wacker 10001 Dumper includes key components essential for monitoring and controlling the machine's operations. Designed to ensure optimal performance, it features gauges, switches, and indicators that provide critical information to the operator. This assembly helps maintain the dumper's efficiency and safety during use.
Reviews
Add a review
Write Your Own Review
Ask a Question
Customer Questions

