Description
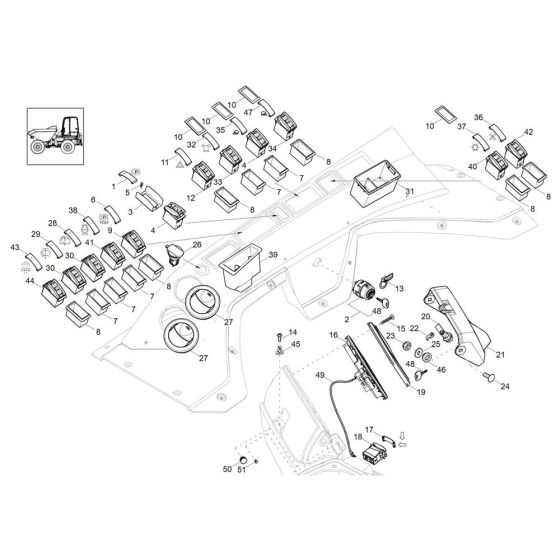
The Instrument Panel Assembly for the Wacker DV100-2 Dumper includes key components essential for monitoring and controlling the machine's functions. Designed to ensure optimal performance, it features gauges, switches, and indicator lights that provide critical information to the operator. This assembly helps maintain efficient operation and safety on site.
Reviews
Add a review
Write Your Own Review
Ask a Question
Customer Questions

