Description
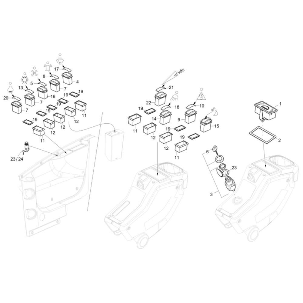
The Instrument Panel Assembly for the Wacker EZ38 Mini Excavator is designed to provide essential control and monitoring functions. This assembly includes key components such as gauges, switches, and wiring, ensuring efficient operation and maintenance of the excavator. Genuine Wacker Neuson parts guarantee compatibility and reliability, supporting optimal performance in various construction tasks.
Reviews
Add a review
Write Your Own Review
Ask a Question
Customer Questions

