Description
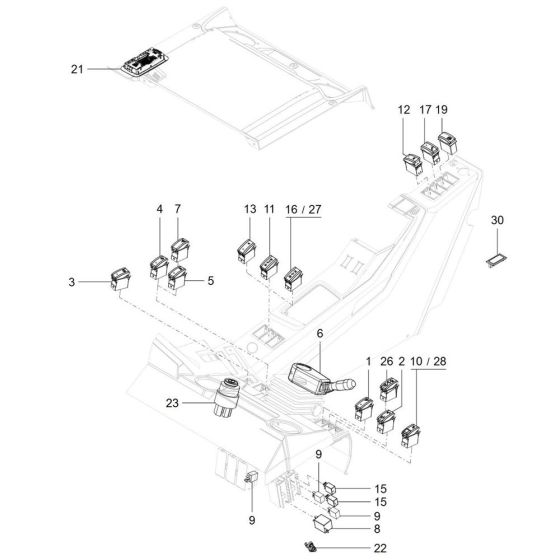
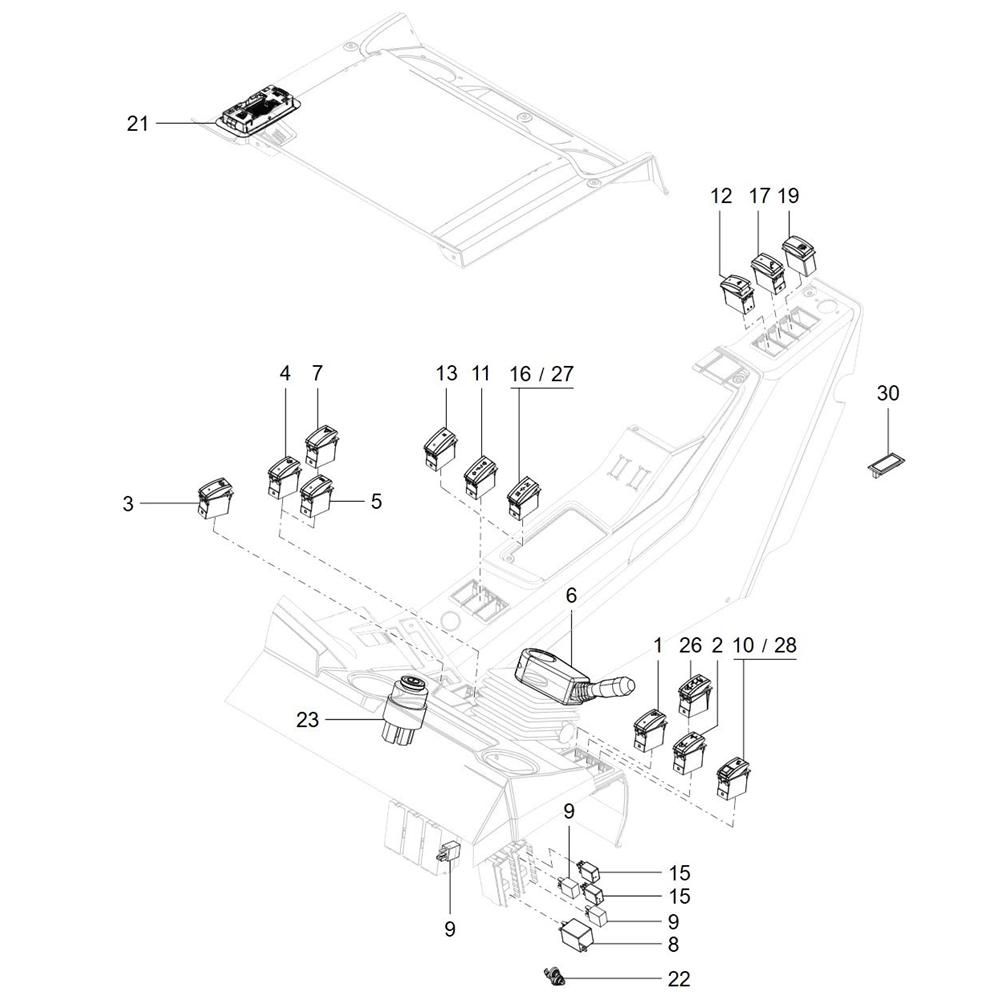
The Instrument Panel Assembly for the Wacker TH412e Telehandler includes key components essential for monitoring and controlling the machine's functions. This assembly ensures accurate readings and reliable operation, featuring gauges, switches, and indicators. Designed for the Wacker Neuson Telehandler, it supports efficient maintenance and optimal performance.
Reviews
Add a review
Write Your Own Review
Ask a Question
Customer Questions

