Description
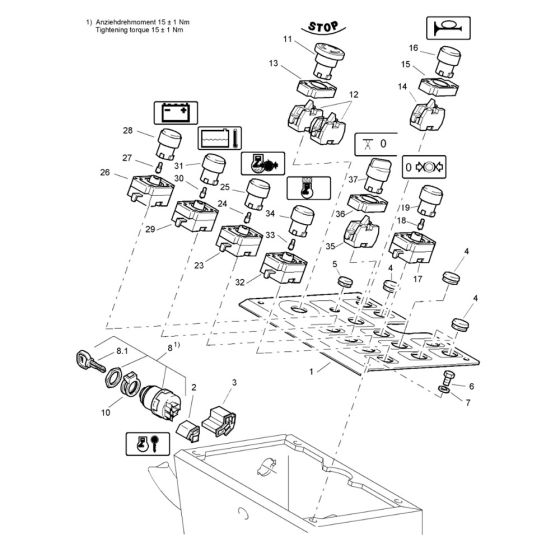
The Instruments Assembly for the Bomag BW 80 AD-2 Roller includes essential components to ensure accurate operation and monitoring of the machine. This assembly is crucial for maintaining the roller's performance and reliability. Typical components may include gauges, sensors, and control panels, designed to withstand the demands of construction environments.
Reviews
Add a review
Write Your Own Review
Ask a Question
Customer Questions

