
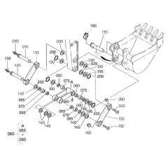
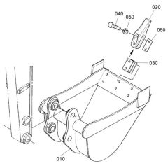
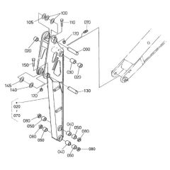
Kubota KX161-3 Mini Excavator Parts
Next day delivery on a huge range of Genuine and Non-Genuine Kubota KX161-3 Mini Excavator Parts. We have many Kubota KX161-3 spares and accessories from pins and bushes, to filters and rubber tracks in stock available for same day dispatch.
Next day delivery on a huge range of Genuine and Non-Genuine Kubota KX161-3 Mini Excavator Parts. We have many Kubota KX161-3 spares and accessories from pins and bushes, to filters and rubber tracks in stock available for same day dispatch.
Shop by diagram
All products
-
Nut for Kubota Machines - OEM Number 16429 92010£1.48 £1.23 -
Nut for Kubota Machines - OEM No. 02114 50080£0.70 £0.58