Description
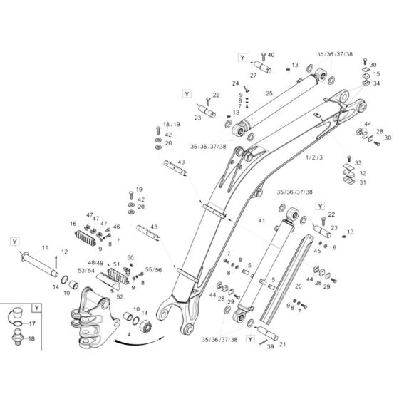
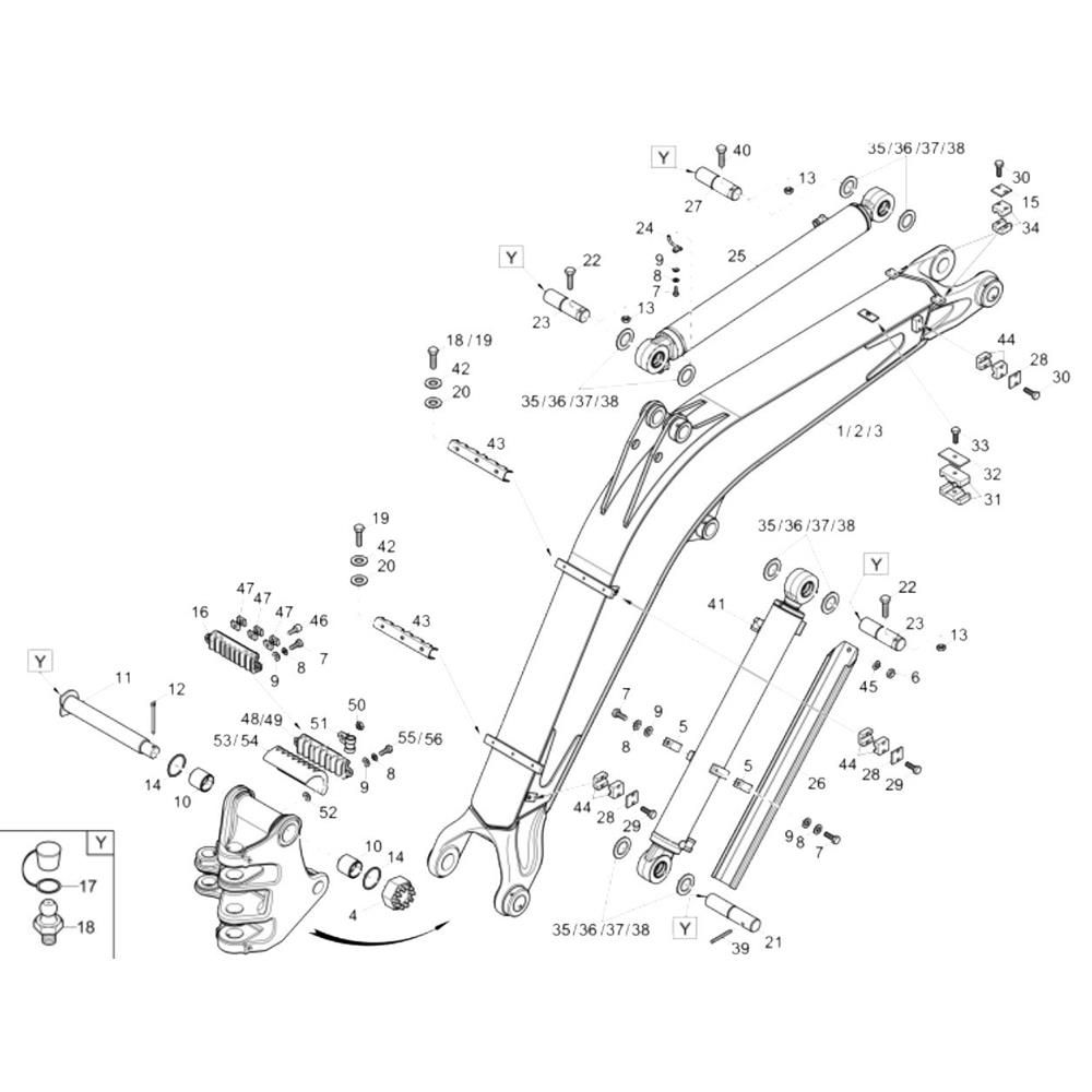
The Lift Arm Assembly for the Wacker 50Z3 Mini Excavator is designed to ensure optimal performance and durability. This assembly includes key components such as hydraulic cylinders, pins, and bushings, which are essential for the precise operation of the excavator's arm. Genuine Wacker Neuson parts ensure compatibility and reliability, supporting efficient digging and lifting tasks.
Reviews
Add a review
Write Your Own Review
Ask a Question
Customer Questions

