Description
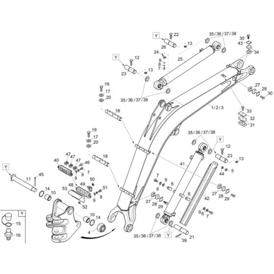
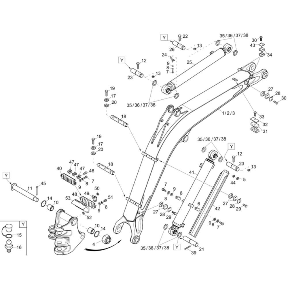
The Lift Arm Assembly for the Wacker 6503 Excavator is crucial for efficient operation, providing the necessary support and movement for excavation tasks. This assembly includes components such as hydraulic cylinders, pins, and bushings, ensuring smooth and reliable performance. Designed for durability, it helps maintain the excavator's functionality and extends its service life.
Reviews
Add a review
Write Your Own Review
Ask a Question
Customer Questions

