Description
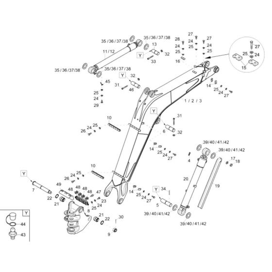
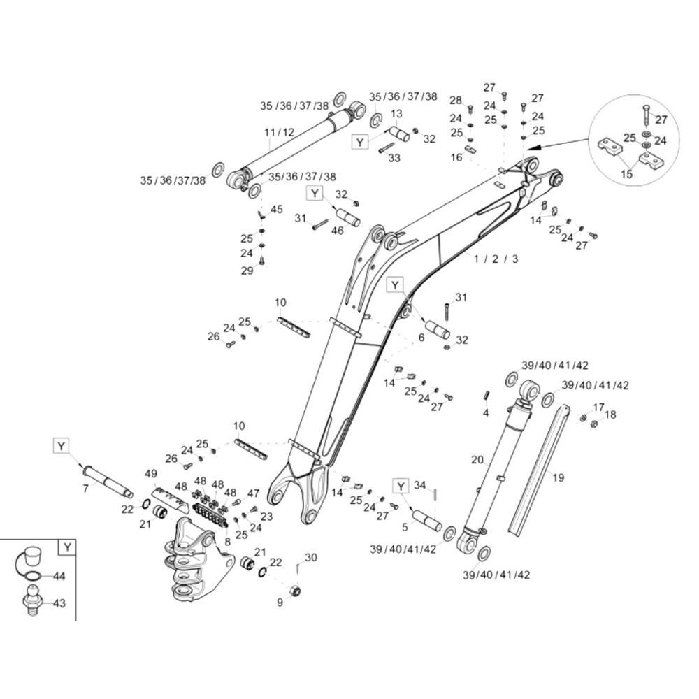
The Lift Arm Assembly for the Wacker 75Z3 Mini Excavator is essential for efficient operation and handling of loads. This assembly includes critical components such as hydraulic cylinders, pins, and bushings, ensuring smooth movement and stability. Designed for durability and reliability, it supports the excavator's lifting capabilities, making it suitable for various construction tasks.
Reviews
Add a review
Write Your Own Review
Ask a Question
Customer Questions

